PR electronics 9113
Температурные преобразователи

Тип 9113
9113 PR electronics Преобразователь температуры и силы тока


Бренд
PR electronics
Артикул производителя
9113
Назначение
Преобразование выходных значений термопар, термометров сопротивления, тока в аналоговые значения тока.
Гальваническая развязка
Наличие
Склад в Европе, Дания

Обзор

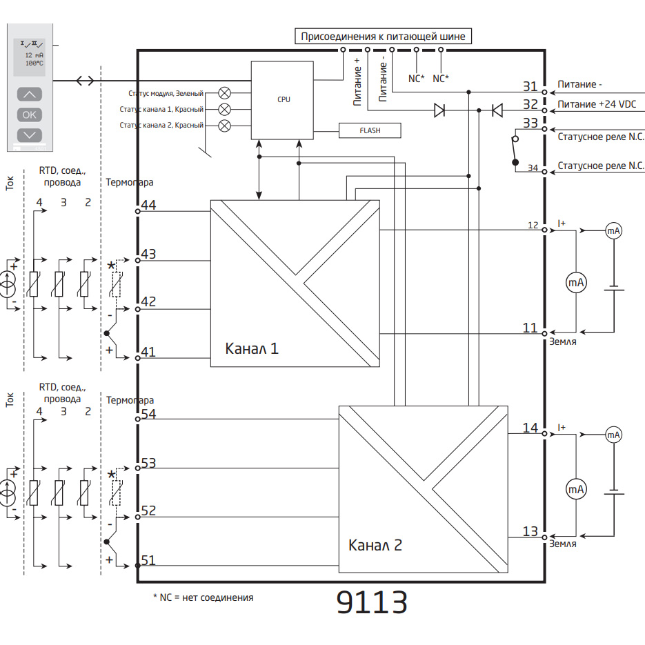
9113А - предназначен для преобразования выходных значений термоэлектрических преобразователей, термометров сопротивления (Pt50 - Pt1000, Ni50 - Ni1000,), изменений сопротивлении (например от уровнемеров или потенциометров в приводе клапана), токовых значений мА в аналоговые токовые значения 4-20 мА. В качестве стационарного дисплея для отражения данных технологического процесса и статуса может использоваться 4500. Им же и программируется.
 Максимальное выходное значение может быть программно ограниченно. Предусмотрена внешняя компенсация холодного спая, но нужен доп. разъём.
 Есть варианты одно и двух канального исполнения и на каждый канал свой процессор обработки. Так же в каждом канале предусмотрена внешняя компенсация холодного спая, но нужен доп. разъём.
 Используется все схемы включения датчика в измерительную цепь
 Точность преобразования во всех доступных диапазонах, менее 0,1% диапазона.
 Требования NAMUR учтены в следующих спецификациях – NE 21, NE 43
 Каждый модуль тестируется между входом, выходом и питанием напряжением 2,6 кВ переменного тока, на предмет высокого уровня гальванической изоляции.
 Электрическая прочность реле, способность изоляции выдерживать выброс напряжения средней длительности без возникновения искрового пробоя, 1,5 кВ переменного тока.
 Модуль устанавливается вертикально или горизонтально на DIN-рейку.


Тип 9113A
Преобразователь температуры и силы тока

  • Вход RTD, термопары и mA
  • Активный или пассивный mA-выход
  • 1 или 2 канала
  • Питание от отдельного источника / по шине PR тип 9400
  • Сертификат соответствия SIL 2, Full Assessment
  • ОПИСАНИЕ ТИПА
    9113А - предназначен для преобразования выходных значений термоэлектрических преобразователей, термометров сопротивления (Pt50 - Pt1000, Ni50 - Ni1000,), изменений сопротивлении (например от уровнемеров или потенциометров в приводе клапана), токовых значений мА в аналоговые токовые значения 4-20 мА. В качестве стационарного дисплея для отражения данных технологического процесса и статуса может использоваться 4500. Им же и программируется.
     Максимальное выходное значение может быть программно ограниченно. Предусмотрена внешняя компенсация холодного спая, но нужен доп. разъём.
     Есть варианты одно и двух канального исполнения и на каждый канал свой процессор обработки. Так же в каждом канале предусмотрена внешняя компенсация холодного спая, но нужен доп. разъём.
     Используется все схемы включения датчика в измерительную цепь
     Точность преобразования во всех доступных диапазонах, менее 0,1% диапазона.
     Архивированные данные регулярно подвергаются контролю на сохранность
     Требования NAMUR учтены в следующих спецификациях –
       NE 21 - электромагнитная совместимость (ЕМС) для приборов, применяемых в лабораторных условиях и в технологических процессах;
       NE 43 - стандарт информации о нарушении уровня сигнала для цифровых датчиков, расширенный диапазон измерения от 3,6 до 23 мА, совместим с NE43 и прозрачен для HART протоколов,
     Каждый модуль тестируется между входом, выходом и питанием напряжением 2,6 кВ переменного тока, на предмет высокого уровня гальванической изоляции.
     Электрическая прочность реле, способность изоляции выдерживать выброс напряжения средней длительности без возникновения искрового пробоя, 1,5 кВ переменного тока.
     Разные режимы свечения зеленого светодиода на передней панели указывает на состояние устройства - на нормальную работу, красного – на неисправность каждого датчика и функциональные неисправности. Статусное дублирует основные режимы работы.
     Модуль устанавливается вертикально или горизонтально на DIN-рейку.
     Питание преобразователя – резервированное, как через шину питания Power Rail 9400 так и / или от отдельного источника питания.



    Примечание

    Сайты производителей
    burkert.com.ru
    prelectronics.com
    siko-global.com
    jumo.ru

    Мы стараемся делать сайт удобным. 

    Контакты

    Телефон: 8-499-788-70-07
    Телефон: 8-499-788-70-08
    Email: info@process-control.net
    Website: www.process-control.net

    РОССИЯ,
    г. Москва
    ул. Нижегородская,
    д. 32, стр. 15

    окна фотограф html php памятники знакомства